您好,欢迎访问乐竞登陆入口网站!

联系我们

联系我们

乐竞登陆入口

手机:133-4266-6888

电话:0769-81383685

邮箱:changmin896@163.com

地址:广东省东莞市石排镇庙边王龙田西路1号

网址:www.urbanmedissage.com/

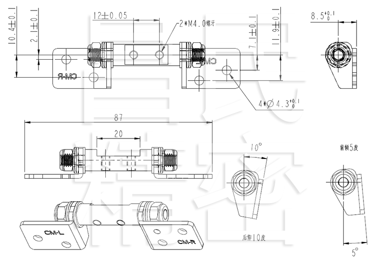
显示屏转轴 CM055-008

规格:CM055-008
外观:电镀亮镍
扭力:17-18KGF.CM
寿命:5000次,衰减率小于20%
材质:1215
咨询热线:133-4266-6888

产品介绍

显示屏转轴 CM055-008      
显示器底座转轴,采用经典的双边垫片结构,使显示器屏幕更加稳定牢固,转动过程中不会晃动。

 



专注精密五金转轴实体厂家
专业转轴工程师为您的产品量身定制各类转轴
地址:广东省东莞市石排镇庙边王龙田西路1号
电话:0769-81383685
手机:133-4266-6888
Copyright © 2021 乐竞登陆入口 版权所有,违权必究 粤ICP备18051942号
咨询

电话

133-4266-6888

扫一扫加微信

扫一扫加微信

扫一扫加微信

公众号

微信公众号

微信公众号

微信小程序

微信小程序

微信小程序